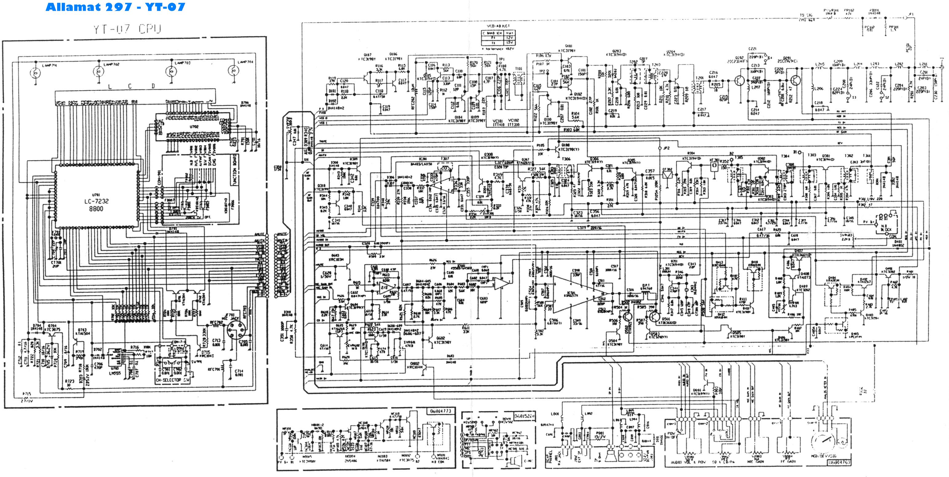
Allamat 297 / Yosan YT-07
Schémata radiostanice Allamat 297 (ekvivalent Yosan YT-07). Klikni na náhled pro zobrazení v plné velikosti.
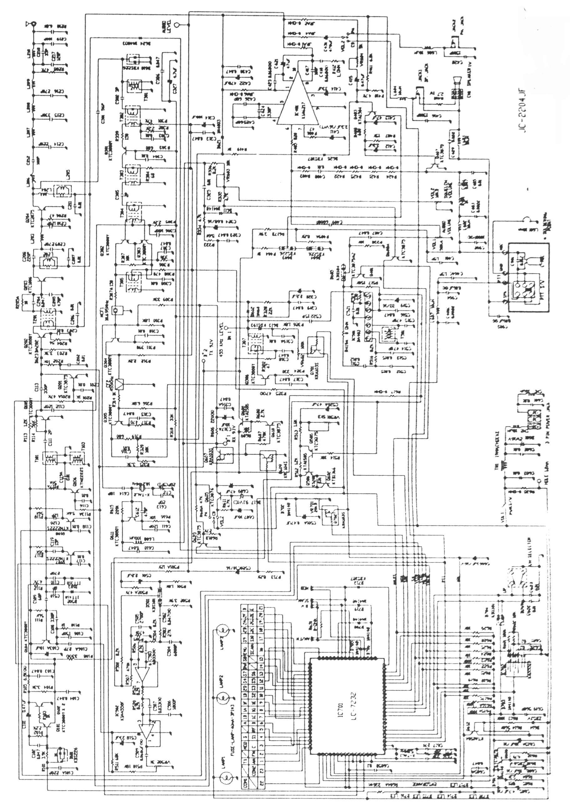
Allamat 295
Schéma zapojení modelu Allamat 295 – vhodné pro porovnání s typem 297 a úpravy v CB pásmu 26.865 MHz.
Schémata radiostanice Allamat 297 (ekvivalent Yosan YT-07). Klikni na náhled pro zobrazení v plné velikosti.
Schéma zapojení modelu Allamat 295 – vhodné pro porovnání s typem 297 a úpravy v CB pásmu 26.865 MHz.